14+ car ecu circuit diagram pdf

Ms45 1 Dme Pinout And Or Wiring Diagram E46 Fanatics Forum. Please add 2006 alto ecu pin out and wiring diagram with pdf 355.


Hitachi Zx70 5g 70lc 5g Hydraulic Excavator Electrical Hydraulic Circuit Diagram By Heydownloads Issuu

These wiring diagrams provide circuit road maps for.

. - Free Car Wiring Diagrams. ECU wiring diagram schematics for cars and additional information for Bosch EDC16 EDC17 EDC15 ME71 ME75 MED7. Bmw 3 E46 Ewd Free Pdf S.

ECU wiring diagram schematics for cars and additional information for Bosch EDC16 EDC17. Free ECU Pin-Out to help you repair your cars electrical problem. History of BUICK Cars.

14 BUICK Car Wiring Circuit. IC ama EEPROM ya. WiringdiagramalldataecmoinoutAll Car wiring diagram for mobile contact me for more information 00919630060211.

Mini Cooper 2003 Rusefi. Jim Liberty Sunday 10 October 2021 2341 Crosley. The traces are copper foil bonded to the fiberglass board surface.

Browse Thousands ECU Schematic Circuit Diagram For Cars And Info For Bosch Siemens Delphi Magneti Marelli Denso Continental. Bmw Ecu Wiring Diagrams Menu Pobierz Pdf Z Docer Pl. Please read the following carefully password.

Huu ni mukosanyo wa picha au vitabu PDF yakuonesha michoro pamoja na kazi ya vifaa componets izilyopo kwenye motherboard za ECU. Solve the problems of the accelerator pedal sensor failure non-ignition failure no fuel injection failure high idle speed failure low torque failure. The EWD is built around the use of the System Circuit Diagrams Section I through 1998 MY Section H starting with 1999 MY.

Tuesday 18 October 2022 1431 Could you please send me samsung Sm7 2007 manual in English 766. This Electrical Circuit Diagram contains information with many illustrations different schemes and diagrams components material a detailed description and step-by-step instructions. Auto Electrician Hayes Ltd Greater London United Kingdom offers DIY lovers Free Car Wiring Diagrams.

Circuit traces on the circuit board can also be over-heated or burned by excess current. - Free Car Fault Codes DTC lists. Look above - BUICK Enclave Lucerne Lacrosse LeSabre Rendezvous Rainier Regal Riviera Terraza Verano Car Owner Manuals PDF.

Free car repair help. - Free Car Owners. ECU Circuit Diagram database consist of 400 documents for downloading.

22 ECU Electronic Control 10 221 Fuel Injection 10 222 Spark Generation 10 3 USING THE ECU 11 31 Usual Wiring Information and Commonalities 12 32 Engine Calibration 14 321 Getting. Figure 6 shows a burned and.


2014 Ghibli Dead Maserati Ghibli Forum


Ecu Pinout Diagram


Circuit Schematic Car Ecu Pdf Electrostatic Discharge Capacitor


Concept Car Ecu Wiring Diagram And Pin Data If You Want Facebook


The Ecu Inner Board Functional Diagram For Edc17cv44 54 Car Ecu Ecu Automotive Electrical


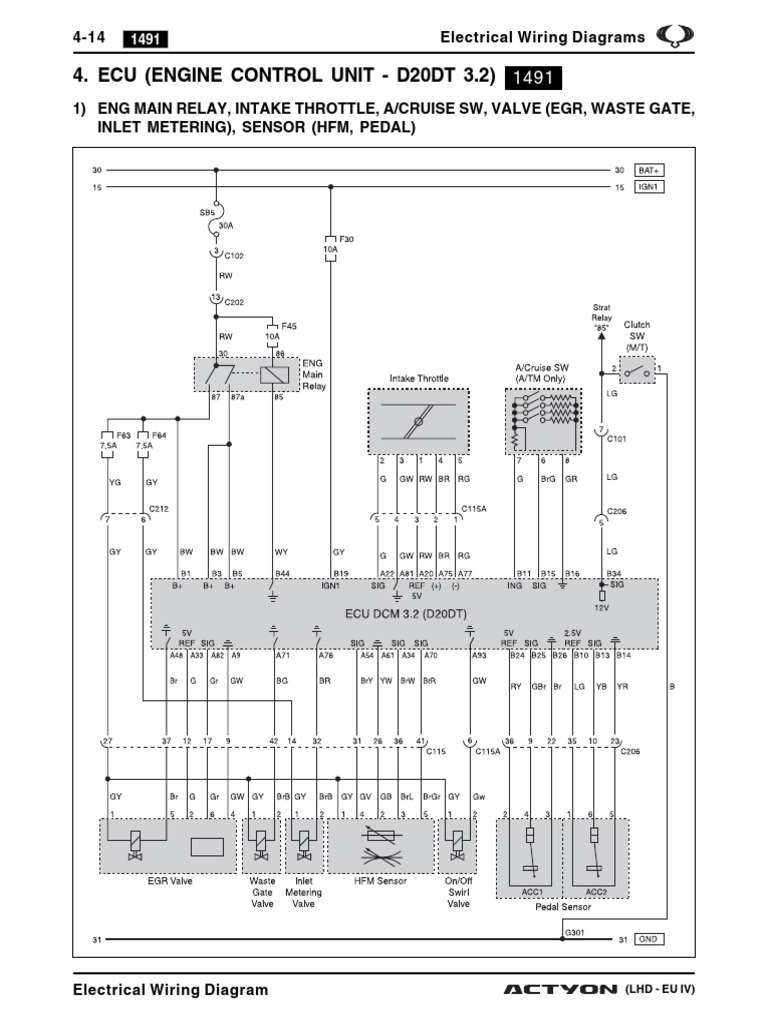
Ecu Engine Control Unit D20dt 3 2 4 14 Electrical Wiring Diagrams Pdf Throttle Engines


Electronic Control Unit Ecu Layout Download Scientific Diagram


Ecu Pinout Diagram


Analog I O Pc 104 Module With Advanced Automatic Autocalibration


Surface Induced Dissociation Mass Spectrometry As A Structural Biology Tool Chemical Reviews


Ecu Pinout Diagram


Ecm Wiring Diagram Free Download And Software Reviews Cnet Download


Ecm Wiring Diagram Free Download And Software Reviews Cnet Download


Ecm Wiring Diagram Free Download And Software Reviews Cnet Download


9 Electrical Proposal Templates Pdf Word Apple Pages Free Premium Templates


Electrical R56 A C Compressor Relay Page 2 North American Motoring


Concept Car Ecu Wiring Diagram And Pin Data If You Want Facebook

Iklan Atas Artikel

Iklan Tengah Artikel 1

Iklan Tengah Artikel 2

Iklan Bawah Artikel